การจัดโครงสร้างของทรานซิสเตอร์พื้นฐาน
การจัดโครงสร้างของทรานซิสเตอร์พื้นฐาน
เราทราบว่าโครงสร้างของทรานซิสเตอร์มีจำนวนทั้งหมด3ขั้วจึงจัดโครงสร้างให้อยู่ในรูปวงจรได้
3 แบบคือ
-วงจรอิมิตเตอร์
-วงจรคอลเลคเตอร์ร่วม
-วงจรเบสร่วม
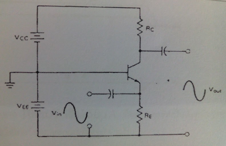
วงจรอิมิตเตอร์ (Common
Emitter)
วงจรอิมิตเตอร์ร่วมเป็นวงจรที่มีการจ่ายอินพุตให้กับขั้วเบสและมีเอาท์พุตออกมาจากขั้วคอลเลคเตอร์
ชื่ออิมิตเตอร์ร่วมเป็นนัยแสดงว่าแหล่งจ่ายแรงดันไฟฟ้าทั้งสองมีจุดต่อร่วมกันกับขั้วอิมิตเตอร์
วงจรอิมิตเตอร์ร่วมมีอัตราการขยายกระแสและอัตราการขยายแรงดันไฟฟ้าสูงและมีการเลื่อนเฟสแรงดัน
AC
อินพุตไปยัง เอาท์พุตเป็นมุม 180 องศา
วงจรคอลเลคเตอร์ร่วมหรือวงจรตามสัญญาณอิมิตเตอร์ร่วม
วงจรคอลเลคเตอร์ร่วมหรือวงจรตามสัญญาณอิมิตเตอร์ร่วม
(Common
Collector or Emitter Follower)
วงจรคอลเลคเตอร์ร่วมหรือวงจรตามสัญญาณอิมิตเตอร์
เป็นวงจรที่มีการจ่ายอินพุตให้ขั้วเบสและเอาท์พุตออกจากขั้วอิมิตเตอร์
วงจรคอลเลคเตอร์ร่วมมีอัตราขยายกระแสไฟฟ้าสูง
แต่อัตราการขยายแรงดันไฟฟ้าต่ำ แรงกัน AC อินพุตกับแรงดัน
AC เอาท์พุตจะ inphase กัน
วงจรเบสร่วม(Common
Base)
วงจรเบสร่วม (Common
Base) วงจรเบสร่วมเป็นวงจรที่มีการจ่ายอินพุตให้ขั้วอิมิตเตอร์
และเอาท์พุตออกจากขั้วคอลเลคเตอร์
ชื่อเบสร่วมเป็นนัยแสดงให้ทราบว่าขั้วเบสเป็นจุดต่อร่วมกับแหล่งจ่ายเรงดันไฟฟ้าสอง
วงจรเบสร่วมใช้มากในงานที่ต้องการความถี่สูง,มีอัตราการขยายกระแสไฟฟ้าต่ำ,อัตราขยายแรงดันไฟฟ้าสูงและแรงดัน
AC อินพุตกับแรงดัน AC เอาท์พุต inphase



ความคิดเห็น
แสดงความคิดเห็น